Série DEFRO HOME INTRA byla vytvořena s cílem harmonie mezi ekologií, designem a ekonomikou. Krbové vložky ze série DEFRO HOME INTRA budou ideální pro rekreační funkci a úspěšně zahřejí celý dům. Moderní design a vzduchotěsná ohniště vám umožní využívat jeho možností v pasivních domech a s rekuperací. Patentovaná řešení zaručují úsporu energie a bezproblémový provoz zařízení.
Detailní popis produktu
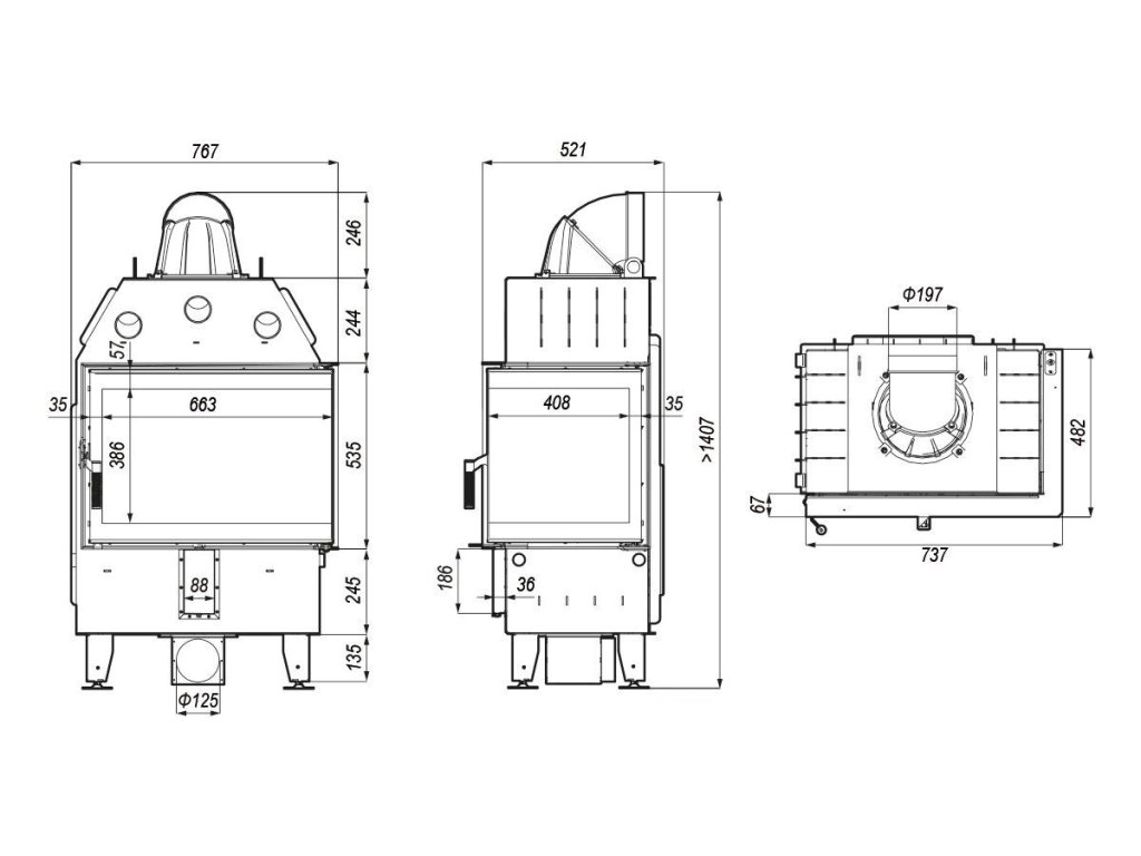
Technické informace
- je určena pro konvekční i akumulační provoz – hypokaust
- otočné dvousegmentové litinové hrdlo
- centrální přívod vzduchu - speciální box umožní připojení hadice přívodního vzduchu k vložce s možností napojení ze strany
- Multiflow - patentované řešení dodávání vzduchu pro spalování / dvojité spalování
- propracovaný systém oplachu skla
- Blackline - sklo s černým potiskem / dělené sklo
- topeniště z masivního akumulačního materiálu vyztužené speciálními ocelovými drátky
- studená rukojeť z nerezové oceli nejvyšší kvality, speciální perforace rukojeti umožňuje její přirozené ochlazování
- splňuje normy: BlmschV Stufe2 a předpoklady programu Ekodesign
- stavitelné nožky – rozsah nastavitelných nožiček od 0 do 100 mm
- systém trubkových průduchů – průduchy navyšují efektivitu krbové vložky
Technické informace
Jmenovitý výkon 10 kW
Rozsah výkonu 4 - 12 kW
Třída energetické efektivnosti A
Průměr sopouchu 200 mm
účinnost 80,1 %
CO emise - 13% O2 0,07%
teplota spalin 267°C
komínový tah 12±2 Pa
Maximální délka polen 500 mm
Průměr přívodu vzduchu 125 mm
Minimální plocha vstupu vzduchu 500 cm²
Minimální plocha výstupu vzduchu 700 cm²
záruka 5 let
Hmotnost ~202 kg
Doplňkové parametry
| Kategorie: | Krbové vložky DEFRO |
|---|---|
| Záruka: | 5 let |
| Délka polena: | 500 mm |
| Hmotnost: | 202 kg |
| Jmenovitý výkon (kW): | 10 |
| Otevírání dvířek: | klasické |
| Prosklení: | rohové levé |
| Průměr kouřového hrdla: | 200 mm |
| Průměr přívodu vzduchu: | 125 mm |
| Rozsah výkonu (kW) - Max: | 12.0000 |
| Rozsah výkonu (kW) - Min: | 4.0000 |
| Tah komína: | 12±2 Pa |
| Třída energetické účinnosti: | A |
| Účinnost: | 80,1 % |
| Značka: | DEFRO HOME |
Buďte první, kdo napíše příspěvek k této položce.




